Ø20,Ø25,Ø32,Ø40
·改善了气缸零件的程度及密封现象的材质,提高了耐磨性,PSS3系列全部都以无润滑型所制成。
·比起先前的SS2系列缸体较轻且体积较小,因而减少了安装空间。
·前盖及后盖的4面宽度都有加宽,因而减少了安装空间。
型号标注方法 |
|
标记记号 |
|
①微型气缸 | ④缸径 | ⑦气缸标记记号 | |||
②型号 | 记号 | 伸缩保护套的材质 | 杯境 最高温 度 | ||
J | 尼龙防水帆布 | ||||
K | 聚氯丁橡胶布 | 110℃ | |||
⑤气缸行程 | ⑧配件 | ||||
③安装 | ⑥无记号橡皮缓 | ||||
形式
型号 | 类型 | 运作 | 活塞 | 备注 |
ISS3 N | 无润滑 | 复动 | 特殊 | |
ISS3 H | 低油压 | 复动 | 特殊 | I-D(MM) |
规格
类型 | 无润滑型 | 低油压型 |
使用流体 | 空气 | 油压操作 |
保证耐压力 | 15kgf/cm2 | |
最高使用压力 | 9.9kgf/cm2 | |
最低使用压力 | 0.5kgf/cm² | 1.0kgf/cm2 |
环境和使用流体温度 | 5~60℃ | |
活塞使用速度 | 50-700mm/sec | 0.5-300mm/sec |
缓冲类型 | RUBBER Cushion | |
螺纹公差 | KS2等级 | |
行程长度公差 | ~250+o° | 251~500+!4 |
标准行程表
缸径-D(MM) | 标准行程 | 最大行程范围 |
020 | 25、50、75、100 | 500 |
025 | ||
032 | ||
040 |
※行程在500以上封,请令加询问
部件型驱
I-D(MM) / Lot-end | 20 | 25.30 | 40 |
I型单纣节接头 | ISS3-201 | ISS3-25/321 | ISS3-401 |
Y型双纣节接头 | ISS3-20Y | ISS3-25/32 Y | ISS3-40 Y |
※BS240用部件与中型气缸BM系列中的40相同
部件型驱
HD(MM) / Lot-end | 20 | 25.30 | 40 |
脚座型 | ISS3-LB20 | ISS3-LB25/32 | ISS3-LB40 |
法兰型 | ISS3-F20 | ISS3-F25/32 | ISS3-F40 |
单U型钩型 | ISS3-CA20 | ISS3-CA25/32 | ISS3-CA40 |
双U型钩型 | ISS3-CB20 | ISS3-CB25/32 | ISS3-CB40 |
耳轴型 | ISS3-T20 | ISS3-T25/32 | ISS3-T40 |
※订购脚座时,每条气缸要订2个
安装形式及配件
配件 / 安装型式 | 基本配件 | 订货件 | ||||
安装螺母 | 杆端螺母 | 纣节销子 | I型单纣节接头 | Y型双纣节接头 | 伸缩保护套 | |
基本型(B) | ●1个(EA) | ● | - | ● | ● | ● |
脚 座型(LB) | ●2个(EA) | ● | - | ● | ● | ● |
杆端法兰型(FA) | ●1个(EA) | ● | - | ● | ● | ● |
后端法兰型(FB) | ●1个(EA) | ● | - | ● | ● | ● |
单U型钩一体型(CD) | - | ● | - | ● | ● | ● |
单U型钩型(CA) | - | ● | - | ● | ● | ● |
双U型钩型(CB) | - | ● | - | ● | ● | ● |
后端耳轴型(TH) | ●1个(EA) | ● | - | ● | ● | ● |
杆端耳轴型(TR) | ●1个(EA) | ● | - | ● | ● | ● |
平尾型(BC) | ●1个(EA) | ● | - | ● | ● | ● |
法兰平尾型(FC) | ●1个(EA) | ● | - | ● | ● | ● |
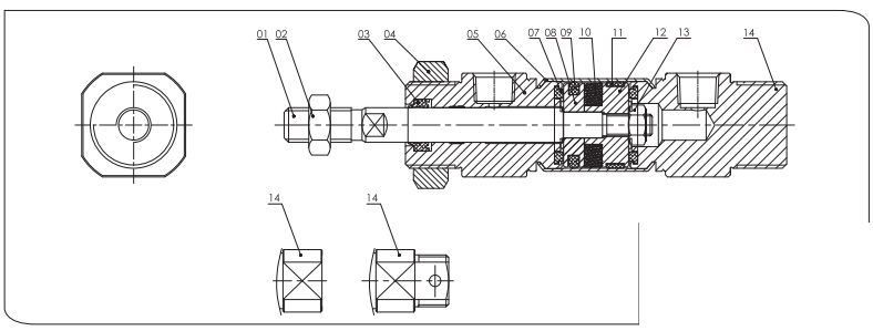
内部结构图

一般(无润滑)型
15 | 推杆密封环 | NBR | DRP10 | DRP12 | DRP12 | DRP16 |
16 | O形密封圈 | NBR | S6 | S8 | S8 | S10 |
17 | 活塞密封圈 | NBR | OPA20 | OPA25 | OPA32 | OPA40 |
低油压型
18 | 活塞密封圈 | NBR | HSD 20 | HSD 25 | HSD 32 | HSD 40 |
部件名称
编号 | 名称 | 材料 |
1 | 杆 | S45C |
2 | 杆盖 | A2024 |
3 | 端盖 | A2024 |
4 | 端盖 | A2024 |
5 | 端盖 | A2024 |
6 | WEARING | ACTEAL |
7 | 管 | SUS304 |
8 | PISTON LOCK NUT | S10C |
9 | 活塞 | A2024 |
10 | 磁铁 | STEEL |
11 | 弹簧垫圈 | SCM4 |
12 | 套筒 | BSBM |
13 | 除雾器 | URETHANE |
14 | 无油的 | CU+OIL |
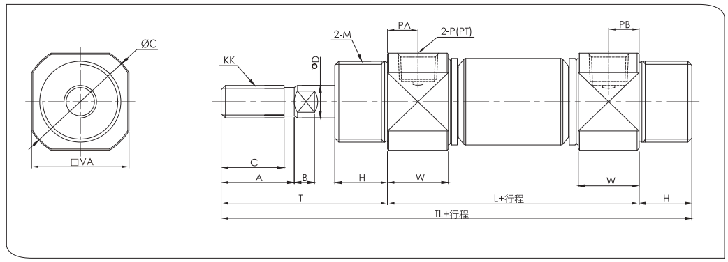
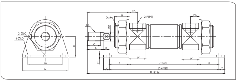
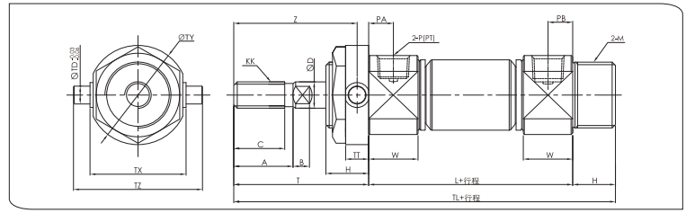
一般型(B)(单位mm)

I-D(MM) | 行程范围 | C | A | B | 0C | OD | H | KK | L | M | PA | PB | P(PT) | T | TL | OVA | W |
20 | ~300 | 15.5 | 18 | 5.0 | 27 | 10 | 13 | M8X1.25 | 62 | M20X1.5 | 8 | 8 | 1/8 | 41 | 116 | 24 | 15 |
25 | ~300 | 19.5 | 22 | 5.5 | 33 | 12 | 13 | M10X1.25 | 62 | M26X1.5 | 8 | 8 | 1/8 | 45 | 120 | 30 | 15 |
32 | ~300 | 19.5 | 22 | 5.5 | 37.3 | 12 | 13 | M10x1.25 | 64 | M26X1.5 | 8 | 8 | 1/8 | 45 | 122 | 34.5 | 15 |
40 | ~300 | 21.0 | 24 | 7.5 | 46.5 | 16 | 16 | M14X1.50 | 88 | M32x2.0 | 11 | 11 | 1/4 | 50 | 154 | 42.5 | 21 |
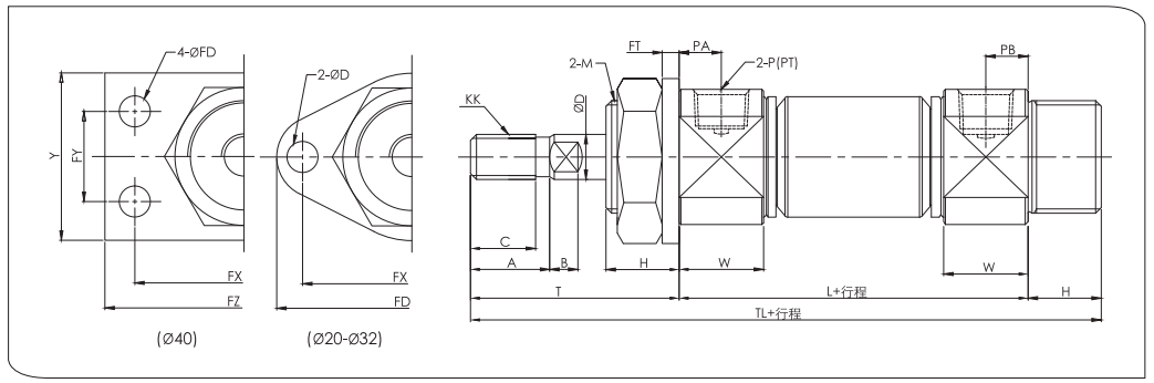
杆侧法兰型(FA)(单位mm)

I-D(MM) | 行程范围 | C | A | B | ØD | ØFD | FT | FX | FY | FZ | H | KK | L | M | PA | PB |
20 | ~400 | 15.5 | 18 | 5.0 | 10 | 7 | 3.2 | 60 | - | 75 | 13 | M8x1.25 | 62 | M20X1.5 | 8 | 8 |
25 | ~450 | 19.5 | 22 | 5.5 | 12 | 7 | 4.5 | 60 | - | 75 | 13 | M10X1.25 | 62 | M26X1.5 | 8 | 8 |
32 | ~450 | 19.5 | 22 | 5.5 | 12 | 7 | 4.5 | 60 | - | 75 | 13 | M10X1.25 | 64 | M26X1.5 | 8 | 8 |
40 | ~500 | 21.0 | 24 | 7.5 | 16 | 7 | 4.5 | 66 | 36 | 82 | 16 | M14x1.50 | 88 | M32x2.0 | 11 | 11 |
I-D(MM) | P(PB) | T | TL | W | Y |
20 | 1/8 | 41 | 116 | 15 | 40 |
25 | 1/8 | 45 | 120 | 15 | 42 |
32 | 1/8 | 45 | 122 | 15 | 42 |
40 | 1/4 | 50 | 154 | 21 | 52 |
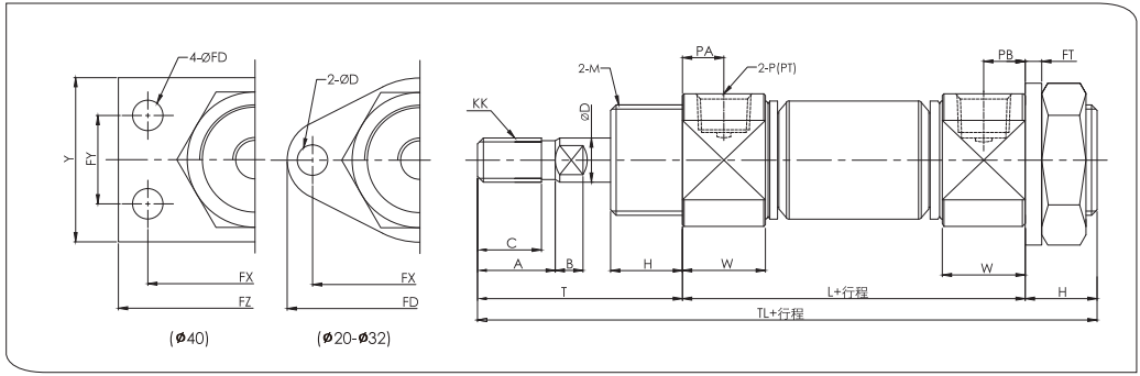
后侧法兰型(FB)(单位mm)

I-D(MM) | 行程范围 | C | A | B | φD | φFD | FT | FX | FY | FZ | H | KK | L | M | PA | PB |
20 | ~400 | 15.5 | 18 | 5.0 | 10 | 7 | 3.2 | 60 | - | 75 | 13 | M8x1.25 | 62 | M20X1.5 | 8 | 8 |
25 | ~450 | 19.5 | 22 | 5.5 | 12 | 7 | 4.5 | 60 | - | 75 | 13 | M10X1.25 | 62 | M26X1.5 | 8 | 8 |
32 | ~450 | 19.5 | 22 | 5.5 | 12 | 7 | 4.5 | 60 | - | 75 | 13 | M10x1.25 | 64 | M26X1.5 | 8 | 8 |
40 | ~500 | 21.0 | 24 | 7.5 | 16 | 7 | 4.5 | 66 | 36 | 82 | 16 | M14x1.50 | 88 | M32x2.0 | 11 | 11 |
I-D(MM) | P(PB) | T | TL | W | Y |
20 | 1/8 | 41 | 116 | 15 | 40 |
25 | 1/8 | 45 | 120 | 15 | 42 |
32 | 1/8 | 45 | 122 | 15 | 42 |
40 | 1/4 | 50 | 154 | 21 | 52 |
脚座型(LB)(单位mm)

I-D(MM) | 行程范围 | C | A | B | φD | H | KK | L | φLC | φLD | LH | LS | LT | LX | LZ | M |
20 | ~400 | 15.5 | 18 | 5.0 | 10 | 13 | M8x1.25 | 62 | 4 | 6.8 | 25 | 102 | 3.2 | 40 | 55 | M20X1.5 |
25 | ~450 | 19.5 | 22 | 5.5 | 12 | 13 | M10X1.25 | 62 | 4 | 6.8 | 28 | 102 | 3.2 | 40 | 55 | M26X1.5 |
32 | ~450 | 19.5 | 22 | 5.5 | 12 | 13 | M10x1.25 | 64 | 4 | 6.8 | 28 | 104 | 3.2 | 40 | 55 | M26X1.5 |
40 | ~500 | 21.0 | 24 | 7.5 | 16 | 16 | M14x1.50 | 88 | 4 | 7.0 | 30 | 134 | 3.2 | 55 | 75 | M32X2.0 |
I-D(MM) | PA | PB | P(PB) | T | TL | W | X | Y |
20 | 8 | 8 | 1/8 | 41 | 131 | 15 | 20 | 8 |
25 | 8 | 8 | 1/8 | 45 | 135 | 15 | 20 | 8 |
32 | 8 | 8 | 1/8 | 45 | 137 | 20 | 20 | 8 |
40 | 11 | 11 | 1/4 | 50 | 173 | 23 | 23 | 12 |
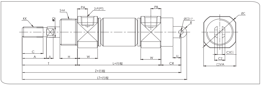
单U型钩(CA)(单位mm)

I-D(MM) | 行程范围 | C | A | B | φC | φCD | CR | CX | φD | H | KK | L | M | PA | PB | P(PT) |
20 | ~300 | 15.5 | 18 | 5.0 | 27 | 9 | 30 | 10 | 10 | 13 | M8x1.25 | 62 | M20X1.5 | 8 | 8 | 1/8 |
25 | ~300 | 19.5 | 22 | 5.5 | 33 | 9 | 30 | 10 | 12 | 13 | M10x1.25 | 62 | M26X1.5 | 8 | 8 | 1/8 |
32 | ~300 | 19.5 | 22 | 5.5 | 37.5 | 9 | 30 | 10 | 12 | 13 | M10X1.25 | 64 | M26x1.5 | 8 | 8 | 1/8 |
40 | ~300 | 21.0 | 24 | 7.5 | 46.5 | 10 | 90 | 15 | 16 | 16 | M14x1.50 | 88 | M32x2.0 | 11 | 11 | 1/8 |
I-D(MM) R | T | TL | U | OVA | W | Z | |
20 9 | 41 | 142 | 14 | 24 | 15 | 15 | |
25 9 | 45 | 146 | 14 | 30 | 15 | 15 | |
32 | 9 | 45 | 148 | 14 | 34.5 | 15 | 15 |
40 | 11 | 50 | 188 | 18 | 42.5 | 21 | 21 |
双U型钩型(CB)(单位mm)

I-D(MM) | 行程范围 | C | A | B | φC | φCD | CR | CX | CZ | φD | H | KK | L | M | PA | PB |
20 | ~300 | 15.5 | 18 | 5.0 | 27 | 9 | 30 | 10 | 19 | 10 | 13 | M8x1.25 | 62 | M20X1.5 | 8 | 8 |
25 | ~300 | 19.5 | 22 | 5.5 | 33 | 9 | 30 | 10 | 19 | 12 | 13 | M10x1.25 | 62 | M26x1.5 | 8 | 8 |
32 | ~300 | 19.5 | 22 | 5.5 | 37.5 | 9 | 30 | 10 | 19 | 12 | 13 | M10X1.25 | 64 | M26X1.5 | 8 | 8 |
40 | ~300 | 21.0 | 24 | 7.5 | 46.5 | 10 | 39 | 15 | 30 | 16 | 16 | M14X1.50 | 88 | M32x2.0 | 11 | 11 |
I-D(MM) | P(PT) | T | TL | OVA | W | Z |
20 | 1/8 | 41 | 116 | 24 | 15 | 133 |
25 | 1/8 | 45 | 120 | 30 | 15 | 137 |
32 | 1/8 | 45 | 122 | 34.5 | 15 | 139 |
40 | 1/4 | 50 | 154 | 42.5 | 21 | 177 |
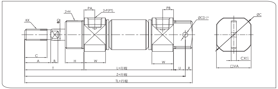
单U型钩一体型(CD)(单位mm)

I-D(MM) | 行程范围 | C | A | B | φC | φCD | CX | φD H | KK | L | M | PA | PB | P(PT) | R | |
20 | ~300 | 15.5 | 18 | 5.0 | 27 | 9 | 12 | 10 13 | M8x1.25 | 62 | M20X1.5 | 8 | 8 | 1/8 | 9 | |
25 | ~300 | 19.5 | 22 | 5.5 | 33 | 9 | 12 | 12 | 13 | M10X1.25 | 62 | M26Xx1.5 | 8 | 8 | 1/8 | 9 |
32 | ~300 | 19.5 | 22 | 5.5 | 37.5 | 9 | 20 | 12 | 13 | M10X1.25 | 64 | M26X1.5 | 8 | 8 | 1/8 | 12 |
40 | ~300 | 21.0 | 24 | 7.5 | 46.5 | 10 | 20 | 16 | 16 | M14X1.50 | 88 | M32x2.0 | 11 | 11 | 1/4 | 12 |
I-D(MM) | T | TU | U | W | Z |
20 | 41 | 124 | 12 | 15 | 115 |
25 | 45 | 128 | 12 | 15 | 119 |
32 | 45 | 136 | 15 | 15 | 124 |
40 | 50 | 165 | 15 | 21 | 153 |
杆侧耳轴型(TR)(单位mm)

I-D(MM) | 行程范围 | C | A | B | 0D | H | KK | L | M | P(PT) | PA | PB | T | OTD | TL | TT |
20 | ~300 | 15.5 | 18 | 5.0 | 10 | 13 | M8x1.25 | 62 | M20X1.5 | 6.8 | 8 | 8 | 41 | 8 | 116 | 10 |
25 | ~300 | 19.5 | 22 | 5.5 | 12 | 13 | M10X1.25 | 62 | M26X1.5 | 6.8 | 8 | 8 | 45 | 9 | 120 | 10 |
32 | ~300 | 19.5 | 22 | 5.5 | 12 | 13 | M10X1.25 | 64 | M26X1.5 | 6.8 | 8 | 8 | 45 | 9 | 122 | 10 |
40 | ~300 | 21.0 | 24 | 7.5 | 16 | 16 | M14X1.50 | 88 | M32x2.0 | 7.0 | 11 | 11 | 50 | 10 | 154 | 11 |
I-D(MM) | TX | OTY | TZ | W | Z |
20 | 32 | 32 | 52 | 15 | 36 |
25 | 40 | 40 | 60 | 15 | 40 |
32 | 40 | 40 | 60 | 20 | 40 |
40 | 53 | 53 | 72 | 23 | 44.5 |
后侧耳轴型(TH)(单位mm)

I-D(MM) | 行程范围 | C | A | B | φD | H | KK | L | M | P(PT) | PA | PB | T | φTD | TL | TT |
20 | ~300 | 15.5 | 18 | 5.0 | 10 | 13 | M8x1.25 | 62 | M20x1.5 | 1/8 | 8 | 8 | 30 | 8 | 118 | 10 |
25 | ~300 | 19.5 | 22 | 5.5 | 12 | 13 | M10X1.25 | 62 | M26x1.5 | 1/8 | 8 | 8 | 30 | 9 | 122 | 10 |
32 | ~300 | 19.5 | 22 | 5.5 | 12 | 13 | M10X1.25 | 64 | M26x1.5 | 1/8 | 8 | 8 | 30 | 9 | 124 | 10 |
40 | ~300 | 21.0 | 24 | 7.5 | 16 | 16 | M14X1.50 | 88 | M32x2.0 | 1/8 | 11 | 11 | 90 | 10 | 154 | 11 |
I-D(MM) | TX | φTY | TZ | W | Z |
20 | 32 | 32 | 52 | 15 | 108 |
25 | 40 | 40 | 60 | 15 | 112 |
32 | 40 | 40 | 60 | 15 | 114 |
40 | 53 | 53 | 77 | 21 | 143.5 |
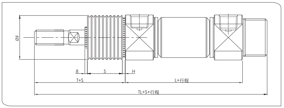
带伸缩保护套型(单位mm)

伸缩保护套 J:尼龙防水帆布60 / K:聚氯丁橡胶布

缸径/I-D(MM) | φF | H | T | S | TL |
20 | 36 | 14 | 56 | 0.3 Storke +3 | 131 |
25 | 36 | 14 | 60 | 135 | |
32 | 36 | 14 | 60 | 137 | |
40 | 40 | 16 | 67 | 0.25 Storke +3 | 171 |
※其他没有标示的尺寸与ISS3一般型相同
型式表示方法(单位mm)

※将后侧盖的螺纹部分去掉,使长度缩短,实现了节省空间的要求。
紧凑型(两种类型) | |
I-D(MM) | TL |
20 | 103 |
25 | 107 |
32 | 109 |
40 | 138 |
整体尺寸比较(通用型) | |||
Ø20 | Ø25 | Ø32 | Ø40 |
-13 | -13 | -13 | -16 |
型式表示方式

规格

类型 | 油压型 |
工作类型 | 复动双杆型 |
使用流体 | 空气 |
保证耐压力 | 15kgf/cm2 |
最高使用压力 | 9.9kgf/cm2 |
最低使用压力 | 0.5kgf/cm2 |
环境和使用流体温度 | -10℃~+70℃ |
供油 | 无 |
螺纹公差 | KS2等级 |
行程长度公差 | +1.4 |
外形尺寸图(单位mm)

I-D(MM) | 行程范围 | C | A | B | 0D | H | KK | L | M | P(PT) | PA | PB | T | ØTD | TL | W |
20 | ~300 | 15.5 | 18 | 5.0 | 10 | 13 | M8x1.25 | 62 | M20x1.5 | 1/8 | 8 | 8 | 41 | 8 | 144 | 15 |
25 | ~300 | 19.5 | 22 | 5.5 | 12 | 13 | M10X1.25 | 62 | M26x1.5 | 1/8 | 8 | 8 | 45 | 9 | 152 | 15 |
32 | ~300 | 19.5 | 22 | 5.5 | 12 | 13 | M10X1.25 | 64 | M26x1.5 | 1/8 | 8 | 8 | 45 | 9 | 154 | 15 |
40 | ~300 | 21.0 | 24 | 7.5 | 16 | 16 | M32x2.0 | 88 | M32x2.0 | 1/8 | 11 | 11 | 50 | 10 | 188 | 21 |
型式标示方法

※请参考SS2系列一般型标示方式 ※可将后侧组合2个气缸一致化 ※气缸的往返及加上有3个阶段的行程

规格
型式 | 无润滑 |
使用流体 | 空气 |
保证耐压力 | 15kgf/cm2 |
最高使用压力 | 9.9kgf/cm2 |
最低使用压力 | 0.5kgf/cm2 |
活塞速度 | 50~750mm/sec |
操作方式 | 双动 |
缓冲 | 橡胶缓冲 |
安装方式 | 基础型、脚座型、法兰型 |
缸径(mm)/I-D | 020、025、032、040 |
行程A,B | ~300mm |
外形尺寸图/基本型(单位mm)

I-D(MM) | TA | TB | TL |
20 | 47 | 78 | 207 |
25 | 47 | 78 | 215 |
32 | 49 | 80 | 219 |
40 | 66.5 | 110.5 | 277 |
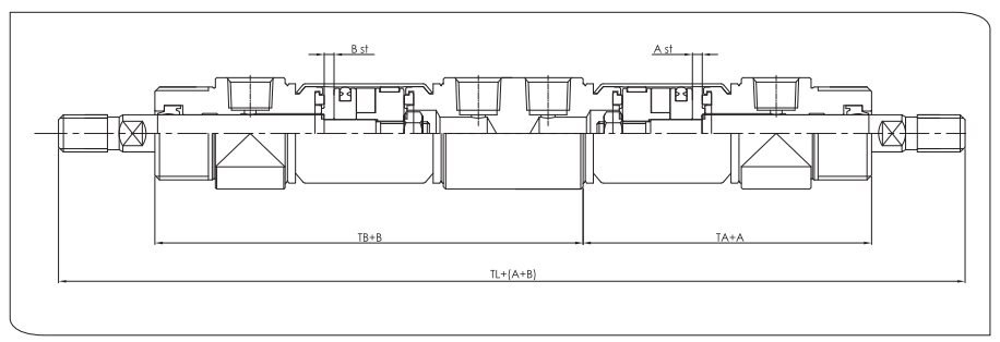
型式标示方式

※请参考SS2系列一般型标示方法 将2个气缸直线连接,使气缸一体化, 可以调整2个阶段的往返行程,气缸的推力可以达到2倍。

规格
型式 | 无润滑 |
保证耐压力 | 15kgf/cm2 |
最高使用压力 | 9.9kgf/cm2 |
最低使用压力 | 0.5kgf/cm² |
活塞速度 | 50~750mm/sec |
操作方式 | 双动 |
缓冲 | 橡胶缓冲 |
安装方式 | 基础型、轴方向脚座型、标准法兰型、 |
缸径(mm)/I-D | |
行程A,B | ~300mm |
外形尺寸图/基本型(单位mm)

I-D(MM) | TA | TB | TL |
20 | 48 | 62 | 164 |
25 | 48 | 62 | 168 |
32 | 50 | 64 | 172 |
40 | 67.5 | 88.5 | 222 |
型式标示方法

※气缸前进时,行程可自0~50mm止,可变调整在后侧安装行程调整器具,在出力侧实行行程调整。
规格

型式 | 无润滑 |
保证耐压力 | 15kgf/cm² |
最高使用压力 | 9.9kgf/cm2 |
最低使用压力 | 0.5kgf/cm2 |
活塞速度 | 50~750mm/sec |
操作方式 | 阻力调整 |
缓冲 | 橡胶缓冲 |
行程调整方式 | A:0~25MM, B:0~50MM |
安装方式 | 基础型、脚座型、标准法兰型、 |
缸径(mm)/I-D | 020、025、032、040 |
外形尺寸图/基本型(单位mm)

I-D(MM) | MK | φMB | KK | MH | ML | TL |
20 | 8 | 20 | M8x1.25 | 47 | 18 | 150 |
25 | 10 | 20 | M10x1.25 | 49 | 18 | 156 |
32 | 10 | 20 | M10x1.25 | 49 | 18 | 158 |
40 | 12 | 25 | M14x1.50 | 60 | 22 | 198 |
※其他没有标示的尺寸与SS3一般型相同
型式标示方式

※此为将2个气缸直排联接的气缸,可得到2倍的推力。

规格
型式 | 无 润 滑 |
使用流体 | 空 气 |
保证耐压力 | 15kgf/cm2 |
最高使用压力 | 9.9kgf/cm2 |
最低使用压力 | 0.5kgf/cm2 |
活塞速度 | 50~750mm/sec |
操作方式 | 双动 |
缓冲 | 橡胶缓冲 |
安装方式 | 基础型、脚座型、法兰型、U型钩型 |
缸径(mm)/I-D | 020、025、032、040 |
行程A,B | ~300mm |
外形尺寸图/基本型(单位mm)

I-D(MM) | TA | TB | TL |
20 | 48 | 62 | 164 |
25 | 48 | 62 | 168 |
32 | 50 | 64 | 172 |
40 | 67.5 | 88.5 | 222 |
耐热型气缸

规格
形式 | 润滑型 |
缸径/I-D | Ø20、Ø25、Ø32、Ø40 |
杯境温度 | -20~+150℃ |
密封材质 | 氟橡胶 |


