Ø6,Ø10,Ø16
·轻量又紧凑的设计
·提高耐磨性
·可高速运动
·简单安装方式
·横向负荷加强
·活塞杆凹陷减少
·1.5倍以上的长寿命
型号标记方法 |
|
标记记号 |
|
①超小型气缸 ※磁铁、橡胶缓冲 基本内置 | ⑤气缸标准行程(mm) ∅6:15,30,45,50,60 ∅10:15,30,45,50,60,75,100 ∅16:15,30,45,50,60,75,100 |
②双杆型 | ⑥磁性开关种类 有接点卡环安装型磁性开关 C73:D-C73(引线标准长度1M) C75:D-C75(引线标准长度1M) |
③附件类型 无记号:基本型 L:轴向脚座型 F:杆侧法兰型 | ⑦附磁性开关数量 无记号:安装2个 S :安装1个 N :安装N个 |
④缸径 6:6mm 10:10mm 16:16mm | |
附件类型/部件号
附件类型 | 缸径(mm) | ||
6 | 10 | 16 | |
脚座 | PSP 06-L | PSP 10-L | PSP 16-L |
法兰 | PSP 06-F | PSP 10-F | PSP 16-F |
开关卡套 | PSP 06-B | PSP 10-B | PSP 16-B |
适用D-C7型 | |||
规格
运动方式 | 复动单杆型 | |
使用流体 | 压缩空气 | |
最高使用压力 | 0.7M Pa | |
最小使用压力 | ∅ 6 | 0.15M Pa |
∅ 10,16 | 0.1M Pa | |
保证压力 | 1.05M Pa | |
环境和使用流体温度 | +5~60℃ |
润滑油,无 | 无润滑 |
螺纹精度 | KS 2等级 |
缓冲 | 橡胶缓冲(标准) |
行程误差 | 0~1.0mm |
活塞速度 | 50 ~750 mm /s |
附件类型附属品
附件类型 | 基本型 | 轴向脚座型 | 杆向法 兰型 | |
标准设备 | 安装螺母 | O | O | O |
杆末端螺母 | O | O | O | |
特殊 设备 | I型单纣节接头 | O | O | O |
Y型双纣节接头(包括销子) | O | O | O | |
适用磁性开关
磁性开关安装方式 | 适用气缸内径(mm) | 有接点型磁性开关 |
磁铁 | ||
卡环安装型 | 6,10,16 | D-C7型 |
重量表(单位g)
气缸内径(mm) | 6 | 10 | 16 | |
基本重量 | 27 | 35 | 70 | |
每15行程增加重量 | 3 | 6 | 9 | |
附件 类型 | 脚座型 | 14 | 14 | 38 |
法 兰型 | 5 | 6 | 13 | |
1)标准重量包括杆末端螺母,安装螺母。
气缸构造图

构成部品
编号 | 部品名 | 材质 | 表面处理 |
1 | 杆盖 | 铝合金 | 白色阳极氧化 |
2 | 缸筒 | 碳钢 | |
3 | 活塞 | 黄铜 | |
4 | 活塞杆 | 碳钢 | 镀硬铬 |
5 | 安装螺母 | 黄铜 | 镀镍 |
6 | 杆端螺母 | 低碳钢 | 镀镍 |
7 | 活塞密封圈 | NBR | |
8 | 杆盖 | NBR | |
9 | 钢筒范围 | NBR | |
10 | 活塞O型圈 | NBR | |
11 | 密封圈定位器 | 铝合金 | 白色阳极氧化 |
12 | 垫片 | 聚氨酯 | |
13 | 磁铁 | 按镍钴 |
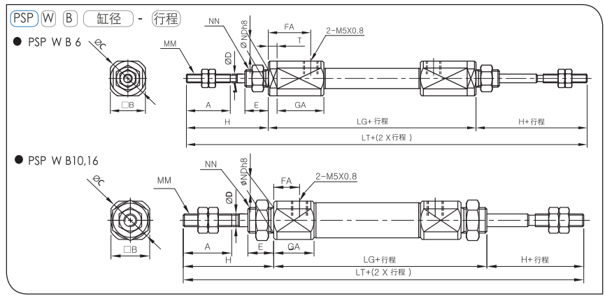
基本型(PSP W B)尺寸图(单位mm)

缸径 | A | B | C | D | E | FA | H | MM | GA | ND h8 | NN | LG | T | LT |
6 | 15 | 12 | 14 | 3 | 8 | 14.5 | 28 | M3X0.5 | 16 | 60-0.018 | M6X1.0 | 68.5 | 3 | 124.5 |
10 | 15 | 12 | 14 | 4 | 8 | 8 | 28 | M4X0.7 | 12.5 | 80-0.022 | M8X1.0 | 48 | - | 104 |
16 | 15 | 18 | 20 | 5 | 8 | 8 | 28 | M5X0.8 | 12.5 | 100-0.022 | M10X1.0 | 48 | - | 104 |
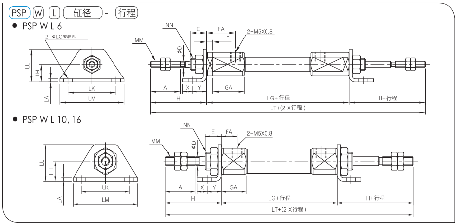
角座型(PSP W L)尺寸图(单位mm)

缸径 | A | D | E | FA | H | LC | LH | LA | LK | LL | LM | MM | GA | NN | LG | T | X | Y | LT |
6 | 15 | 3 | 8 | 14.5 | 28 | 4.5 | 9 | 1.6 | 24 | 16.5 | 32 | M3x0.5 | 16 | M6x1.0 | 68.5 | 3 | 5 | 7 | 124.5 |
10 | 15 | 4 | 8 | 8 | 28 | 4.5 | 9 | 1.6 | 24 | 16.5 | 32 | M4x0.7 | 12.5 | M8x1.0 | 48 | - | 5 | 7 | 104 |
16 | 15 | 5 | 8 | 8 | 28 | 5.5 | 14 | 2.3 | 33 | 25 | 42 | M5x0.8 | 12.5 | M10x1.0 | 48 | - | 6 | 9 | 104 |
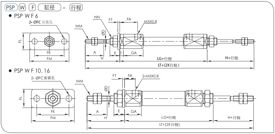
法兰型(PSP W F)尺寸图(单位mm)

缸径 | A | D | E | FC | FT | FK | FL | FM | FA | H | MM | GA | NN | LG | T | LT |
6 | 15 | 3 | 8 | 4.5 | 1.6 | 24 | 14 | 32 | 14.5 | 28 | M3X0.5 | 16 | M6X1.0 | 68.5 | 3 | 124.5 |
10 | 15 | 4 | 8 | 4.5 | 1.6 | 24 | 14 | 32 | 8 | 28 | M4X0.7 | 12.5 | M8X1.0 | 48 | - | 104 |
16 | 15 | 5 | 8 | 5.5 | 2.3 | 33 | 20 | 42 | 8 | 28 | M5X0.8 | 12.5 | M10X1.0 | 48 | - | 104 |