Ø20,Ø25,Ø32,Ø40
·无润滑
·橡胶垫圈
·自动开关(磁铁内置)基本
型号标注方法 |
|
标记记号 |
|
①小型气缸 | ⑥气缸行程(mm) 内径 | 标准行程 | ⑨杆端配件 | |
②形式 | 20,25 | 25,50,75, | ||
32,40 | 300,350,400, | |||
③双杆气缸 | 最大行程范围:1000行程 | ⑩磁性开关种类 | ||
④附件类型 | ⑦缓冲 | 磁性开关附件数量 | ||
⑧ 气缸记号 | ||||
⑤缸径 | ||||
20:20mm | ||||
25:25mm | ||||
32:32mm | ||||
40:40mm | ||||
类型
型号 | 类型 | 运动方式 | 缓冲 | 活塞密封圈 | 备注 | |
橡胶缓冲 | 气缓冲 | |||||
PSS2N | 无润滑 | 复动 | O | O | 特殊密封圈 | 基本内置磁环 |
PSS 2H | 低油压 | 复动 | - | - | ||
事项
型号 | 无润滑型 | 低油压型 |
使用流体 | 空气 | 油压操作 |
保证耐压力 | 15kgf/ cm2 | |
最高使用压力 | 9.9kgf/ cm² | |
最低使用压力 | 0.5kgf/ cm² | 1.8kgf/ cm² |
环境和使用流体温度 | 5~60℃ | |
活塞使用速度 | 50 ~500 mm/s(空气缓冲1000 mm/s) | 0.5~ 300mm /s |
缓冲 | 橡胶缓冲(基本),空气缓冲 | |
螺纹公差 | KS2等级 | |
行程误差 | 0~250St以下:0~1mm,250~1000St以下:0~1.4mm | |
附件类型 | 基本型,脚座型,法兰型,耳轴型 | |
气缸尺寸图(单位mm)

缸径 | 行程范围 | C | A | OD | H | PA | PB | OE | B | KK | W VA | VA | VB | M | P(PT) | L | T | TL |
20 | ~500 | 15.5 | 18 | 10 | 13 | 8 | 8 | 28 | 5 | M8X1.25 | 15 | 24 | 13 | M20 X 1.5 | 1/8 | 62 | 41 | 144 |
25 | ~500 | 19.5 | 22 | 12 | 13 | 8 | 8 | 34 | 5.5 | M10X1.25 | 15 | 30 | 13 | M26 X1.5 | 1/8 | 62 | 45 | 152 |
32 | ~500 | 19.5 | 22 | 12 | 13 | 8 | 8 | 38 | 5.5 | M10X1.25 | 15 | 32 | 13 | M26 X 1.5 | 1/8 | 64 | 45 | 154 |
40 | ~500 | 21 | 24 | 16 | 16 | 11 | 11 | 50 | 7.5 | M14X1.5 | 21 | 46 | 19 | M32 X 2.0 | 1/4 | 88 | 50 | 188 |
可调整的行程 /推进调整型(PSS2 SJ) 尺寸图
气缸推进行程,整体变化范围为:-25-50mm气缸后端安装行程调节设备去调节推进行程。
事项
运动方式 | 复动 |
使用流体 | 空气 |
保证耐压力 | 15kgf/cm2 |
最高使用压力 | 9.9kgf/cm2 |
最低使用压力 | 0.5kgf/cm2 |
环境和使用流体温度 | 5~60℃ |
活塞使用速度 | 50~750mm/s |
缓冲 | 橡胶缓冲 |
行程调整方法 | 调整螺母校正 |
行程调整范围 | A:0~25mm,B:0~50mm,N:0~Nmm |
附件类型 | 基本型,脚座型,法兰型,耳轴型 |
使用气缸内径 | 020,25,32,40 |


调整记号(单位mm)
A:行程调整范围0~25mm,B:行程调整范围0~50mm

缸径 | 行程范围 | MK | ØMB | KK | MH | ML | TL |
20 | ~500 | 8 | 20 | M8X1.25 | 47 | 20 | 150 |
25 | ~500 | 10 | 25 | M10X1.25 | 49 | 22 | 156 |
32 | ~500 | 10 | 25 | M10X1.25 | 49 | 22 | 158 |
40 | ~500 | 12 | 30 | M14X1.5 | 60 | 22 | 198 |
双行程双杆型(PSS2 TW) 尺寸图(单位mm)
与后侧连接组装后两个气缸一体化,气缸可以控制3个阶段的往返行程
事项
运动方式 | 复动 |
使用流体 | 空气 |
保证耐压力 | 15kgf/cm2 |
最高使用压力 | 9.9kgf/cm2 |
最低使用压力 | 0.5kgf/cm2 |
环境和使用流体温度 | 5~60℃ |
活塞使用速度 | 50~750mm/s |
缓冲 | 橡胶缓冲 |
附件类型 | 基本型,脚座型,法兰型 |
行程A,B | ~300mm |



缸径 | X | TL |
20 | 28 | 234 |
25 | 28 | 242 |
32 | 28 | 246 |
40 | 34 | 310 |
双行程单杆(PSS2 TS) 尺寸图(单位mm)
两个气缸直列连接使气缸一体化后气缸可调整2个阶段的往返行程,气缸的推力可以达到2倍。
事项
运动方式 | 复动 |
使用流体 | 空气 |
保证耐压力 | 15kgf/cm2 |
最高使用压力 | 9.9kgf/cm2 |
最低使用压力 | 0.5kgf/cm2 |
环境和使用流体温度 | 5~60℃ |
活塞使用速度 | 50~750mm/s |
缓冲 | 橡胶缓冲 |
附件类型 | 基本型,脚座型,法兰型,耳轴型 |
使用缸径 | 020,25,32,40 |



缸径(mm) | TA | TB | TL |
20 | 48 | 62 | 164 |
25 | 48 | 62 | 168 |
32 | 50 | 64 | 172 |
40 | 68 | 88 | 222 |
串联气缸型(PSS2 TD)尺寸图(单位mm)
2个气缸直列连接后,气缸推力可达到两倍
事项
运动方式 | 复动 |
使用流体 | 空气 |
保证耐压力 | 15kgf/cm2 |
最高使用压力 | 9.9kgf/cm2 |
最低使用压力 | 0.5kgf/cm2 |
环境和使用流体温度 | 5~60℃ |
活塞使用速度 | 50~750mm/s |
缓冲 | 橡胶缓冲 |
附件类型 | 基本型,脚座型,法兰型 |
行程A,B | ~300mm |



缸径(mm) | TA | TB | TL |
20 | 48 | 62 | 164 |
25 | 48 | 62 | 168 |
32 | 50 | 64 | 172 |
40 | 68 | 88 | 222 |
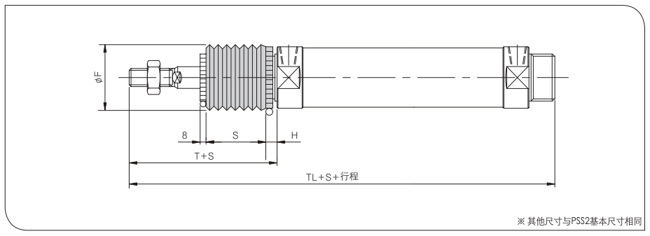
附伸缩保护套单杆型(PSS2 J)尺寸图(单位mm)


缸径 | 行程范围 | ØF | H | T | S | TL |
20 | ~500 | 36 | 14 | 56 | 0.3 X ST RO KE+ 3 | 150 |
25 | ~500 | 36 | 14 | 60 | 156 | |
32 | ~500 | 36 | 14 | 60 | 158 | |
40 | ~500 | 40 | 16 | 67 | 0.25 X ST RO KE+ 3 | 198 |
保护套材质 | |
符号 | 材质 |
J | 尼龙防水帆布 |
K | 聚氯丁橡胶布 |

耐热型 (PSS2-SV)
为了在环境温度为150℃为止能使用,使用特殊材质密封圈的气缸。
规格
运动方式 | 复动 |
使用流体 | 空气 |
环境温度范围 | -20~150℃ |
密封圈材质 | 氟橡胶 |
单动弹簧复位型(PSS2 T/S) 尺寸图
与加压方向反方向设置了弹簧,使加压时杆向前推动,S单动(弹簧压回型)和加压时杆向后进,T单动(弹簧压出型)
规格
运动方式 | 单动弹簧复位型 |
使用流体 | 空气 |
保证耐压力 | 15kgf/cm2 |
最高使用压力 | 9.9kgf/cm2 |
最低使用压力 | 3kgf/cm2 |
环境和使用流体温度 | 5~60℃ |
缓冲 | 无 |
附件类型 | 基本型,脚座型,法兰型,单U型钩型, |
行程范围 | ~100mm |


